RabbitCore RCM4500W
User's Manual
PREV INDEX NEXT


Appendix A. RCM4510W Specifications

Appendix A provides the specifications for the RCM4510W, and describes the conformal coating.

A.1 Electrical and Mechanical Characteristics

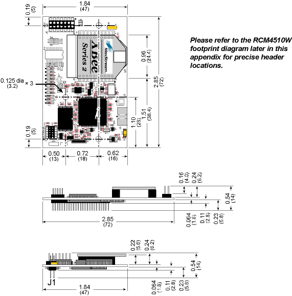
Figure A-1 shows the mechanical dimensions for the RCM4510W.


Figure A-1. RCM4510W Dimensions

NOTE All measurements are in inches followed by millimeters enclosed in parentheses. All dimensions have a manufacturing tolerance of ±0.01" (0.25 mm).

It is recommended that you allow for an "exclusion zone" of 0.04" (1 mm) around the RCM4510W in all directions when the RCM4510W is incorporated into an assembly that includes other printed circuit boards. An "exclusion zone" of 0.08" (2 mm) is recommended below the RCM4510W when the RCM4510W is plugged into another assembly. Figure A-2 shows this "exclusion zone."


Figure A-2. RCM4510W "Exclusion Zone"

NOTE There is an antenna associated with the RCM4510W RabbitCore modules. The antenna is on the XBee RF modules for the standard versions of the RCM4510W, and is on the printed circuit board near the shielded modem below header J4. Do not use any RF-absorbing materials in these vicinities in order to realize the maximum range.


Table A-1 lists the electrical, mechanical, and environmental specifications for the RCM4510W.

Table A-1. RCM4510W Specifications 
Parameter RCM4510W
Microprocessor
Rabbit® 4000 at 29.49 MHz
Flash Memory
512K
Data SRAM
512K
Backup Battery
Connection for user-supplied backup battery
(to support RTC and data SRAM)
General Purpose I/O
up to 49 parallel digital I/0 lines:
· up to 40 Rabbit 4000 pins configurable with four layers of alternate functions
· up to 9 XBee RF module pins, four of which may be configured as analog inputs1
Additional Inputs
Startup mode (2), reset in
Additional Outputs
Status, reset out
Analog Inputs*
4 channels single-ended
0–1.2 V DC

  • A/D Converter Resolution

10 bits

  • A/D Conversion Time (including raw count and Dynamic C)

40 ms
External I/O Bus
Can be configured for 8 data lines and
6 address lines (shared with parallel I/O lines), plus I/O read/write
Serial Ports
6 high-speed, CMOS-compatible ports:

  • all 6 configurable as asynchronous (with IrDA), 4 as clocked serial (SPI), and 2 as SDLC/HDLC

  • 1 asynchronous clocked serial port shared with programming port

Serial Rate
Maximum asynchronous baud rate = CLK/8
Slave Interface
Slave port allows the RCM4510W to be used as an intelligent peripheral device slaved to a master processor
Real Time Clock
Yes
Timers
Ten 8-bit timers (6 cascadable from the first),
one 10-bit timer with 2 match registers, and
one 16-bit timer with 4 outputs and 8 set/reset registers
Watchdog/Supervisor
Yes
Pulse-Width Modulators
4 channels synchronized PWM with 10-bit counter
4 channels variable-phase or synchronized PWM with 16-bit counter
Input Capture
2-channel input capture can be used to time input signals from various port pins
Quadrature Decoder
2-channel quadrature decoder accepts inputs
from external incremental encoder modules
Power with ZigBee® Modem
(pins unloaded)
3.3 V.DC ±5%
150 mA @ 3.3 V while transmitting/receiving
80 mA @ 3.3 V while not transmitting/receiving
<20 µA @ 3.3 V while asleep
Operating Temperature
-40°C to +85°C
Humidity
5% to 95%, noncondensing
Connectors
One 2 × 7, 2 mm pitch IDC signal header
One 2 × 25, 1.27 mm pitch IDC signal header
One 2 × 5, 1.27 mm pitch IDC programming header
Board Size with XBee RF module Installed
1.84" × 2.85" × 0.54"
(47 mm × 72 mm × 14 mm)
XBee RF Module
RF Module
Digi International XBee®
Compliance
802.15.4 standard (ZigBee compliant)
1 These I/O pins from the XBee RF module are available on auxiliary I/O header J4.


A.1.1 XBee RF Module

Table A-2 shows the XBee RF module specifications.

Table A-2. XBee RF Module Specifications
Parameter Specification
RF Module
Digi International XBee®
Compliance
802.15.4 standard (ZigBee compliant)
Frequency
ISM 2.4 GHz
Performance
Indoor Range
100 ft (30 m)
Outdoor Line-of-Sight Range
300 ft (90 m)
Transmit Power Output
1 mW (0 dBm)
RF Data Rate
250,000 bps
Receiver Sensitivity
-92 dBm (1% PER)
Antenna
Chip antenna
Supported Network Topologies

  • Point-to-point

  • Point-to-multipoint

  • Peer-to-peer

  • Mesh

Number of RF Channels
16 direct-sequence channels
Filtration Options

  • PAN ID

  • Channel

  • Source/destination addresses

Power (typical)
Transmit
40 mA @ 3.3 V DC ±5%
Idle/Receive
40 mA @ 3.3 V DC ±5%

The XBee RF module that consists of discrete components on the preview versions of the RCM4510W module has the same specifications.

A.1.2 Headers

The RCM4510W uses a header at J1 for physical connection to other boards. J1 is a 2 ×  25 SMT header with a 1.27 mm pin spacing. J2, the programming port, is a 2 ×  5 header with a 1.27 mm pin spacing. Header J4 supplies auxiliary I/O supported by the XBee RF module, and is a 2 ×  7 SMT header with a 2 mm pin spacing

Figure A-3 shows the layout of another board for the RCM4510W to be plugged into. These reference design values are relative to one of the mounting holes.


Figure A-3. User Board Footprint for RCM4510W

A.2 Rabbit 4000 DC Characteristics

Table A-3. Rabbit 4000 Absolute Maximum Ratings
Symbol Parameter Maximum Rating
TA
Operating Temperature
-40° to +85°C
TS
Storage Temperature
-55° to +125°C
VIH
Maximum Input Voltage
VDDIO + 0.3 V
(max. 3.6 V)
VDDIO
Maximum Operating Voltage
3.6 V

Stresses beyond those listed in Table A-3 may cause permanent damage. The ratings are stress ratings only, and functional operation of the Rabbit 4000 chip at these or any other conditions beyond those indicated in this section is not implied. Exposure to the absolute maximum rating conditions for extended periods may affect the reliability of the Rabbit 4000 chip.

Table A-4 outlines the DC characteristics for the Rabbit 4000 at 3.3 V over the recommended operating temperature range from TA = –40°C to +85°C, VDDIO = 3.0 V to 3.6 V.

Table A-4. 3.3 Volt DC Characteristics
Symbol Parameter Min Typ Max
VDDIO
I/O Ring Supply Voltage, 3.3 V
3.0 V
3.3 V
3.6 V
I/O Ring Supply Voltage, 1.8 V
1.65 V
1.8 V
1.90 V
VIH
High-Level Input Voltage
(VDDIO = 3.3 V)
2.0 V
VIL
Low-Level Input Voltage
(VDDIO = 3.3 V)
0.8 V
VOH
High-Level Output Voltage
(VDDIO = 3.3 V)
2.4 V
VOL
Low-Level Output Voltage
(VDDIO = 3.3 V)
0.4 V
IIO
I/O Ring Current @ 29.4912 MHz, 3.3 V, 25°C
12.2 mA
IDRIVE
All other I/O
(except TXD+, TXDD+, TXD-, TXDD-)
8 mA

A.3 I/O Buffer Sourcing and Sinking Limit

Unless otherwise specified, the Rabbit I/O buffers are capable of sourcing and sinking 8 mA of current per pin at full AC switching speed. Full AC switching assumes a 29.4 MHz CPU clock with the clock doubler enabled and capacitive loading on address and data lines of less than 70 pF per pin. The absolute maximum operating voltage on all I/O is 3.6 V.

A.4 Bus Loading

You must pay careful attention to bus loading when designing an interface to the RCM4510W. This section provides bus loading information for external devices.

Table A-5 lists the capacitance for the various RCM4510W I/O ports.

Table A-5. Capacitance of Rabbit 4000 I/O Ports
I/O Ports Input Capacitance
(pF)
Output Capacitance
(pF)
Parallel Ports A to E
12
14

Table A-6 lists the external capacitive bus loading for the various RCM4510W output ports. Be sure to add the loads for the devices you are using in your custom system and verify that they do not exceed the values in Table A-6.

Table A-6. External Capacitive Bus Loading -40°C to +85°C
Output Port Clock Speed (MHz) Maximum External Capacitive Loading (pF)
All I/O lines with clock doubler enabled
29.49
100

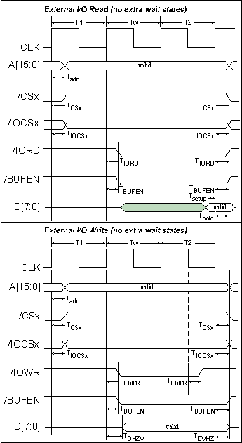
Figure A-4 shows a typical timing diagram for the Rabbit 4000 microprocessor external I/O read and write cycles.


Figure A-4. External I/O Read and Write Cycles—No Extra Wait States

NOTE /IOCSx can be programmed to be active low (default) or active high.

Table A-7 lists the delays in gross memory access time for several values of VDDIO.

Table A-7. Preliminary Data and Clock Delays
VDDIO
(V)
Clock to Address Output Delay
(ns)
Data Setup Time Delay
(ns)
Worst-Case
Spectrum Spreader Delay
(ns)
30 pF 60 pF 90 pF 0.5 ns setting
no dbl / dbl
1 ns setting
no dbl / dbl
2 ns setting
no dbl / dbl
3.3
6
8
11
1
2.3 / 2.3
3 / 4.5
4.5 / 9
1.8
18
24
33
3
7 / 6.5
8 / 12
11 / 22

The measurements are taken at the 50% points under the following conditions.

The clock to address output delays are similar, and apply to the following delays.

The data setup time delays are similar for both Tsetup and Thold.

When the spectrum spreader is enabled with the clock doubler, every other clock cycle is shortened (sometimes lengthened) by a maximum amount given in the table above. The shortening takes place by shortening the high part of the clock. If the doubler is not enabled, then every clock is shortened during the low part of the clock period. The maximum shortening for a pair of clocks combined is shown in the table.

Technical Note TN227, Interfacing External I/O with Rabbit Microprocessor Designs, contains suggestions for interfacing I/O devices to the Rabbit 4000 microprocessors.

A.5 Conformal Coating

The areas around the 32 kHz real-time clock crystal oscillator have had the Dow Corning silicone-based 1-2620 conformal coating applied. The conformally coated area is shown in Figure A-5. The conformal coating protects these high-impedance circuits from the effects of moisture and contaminants over time.


Figure A-5. RCM4510W Areas Receiving Conformal Coating

Any components in the conformally coated area may be replaced using standard soldering procedures for surface-mounted components. A new conformal coating should then be applied to offer continuing protection against the effects of moisture and contaminants.

NOTE For more information on conformal coatings, refer to Rabbit's Technical Note TN303, Conformal Coatings, which is included with the online documentation.

A.6 Jumper Configurations

Figure A-6 shows the header locations used to configure the various RCM4510W options via jumpers.


Figure A-6. Location of RCM4510W Configurable Positions

Table A-8 lists the configuration options.

Table A-8. RCM4510W Jumper Configurations 
Header Description Pins Connected Factory Default
JP1
PE5 or SMODE0 Output
on J1 pin 37
1–2
PE5
×
2–3
SMODE0
JP2
PE6 or SMODE1 Output
on J1 pin 38
1–2
PE6
×
2–3
SMODE1
JP3
PE7 or STATUS Output
on J1 pin 39
1–2
PE7
×
2–3
STATUS
JP4
LN0 or PD0 on J1 pin 40
1–2
LN0
2–3
PD0
×
JP5
LN2 or PD2 on J1 pin 42
1–2
LN2
2–3
PD2
×
JP6
LN4 or PD4 on J1 pin 44
1–2
LN4
2–3
PD4
×
JP7
LN6 or PD6 on J1 pin 46
1–2
LN6
2–3
PD6
×
JP8
LN7 or PD7 on J1 pin 47
1–2
LN7
2–3
PD7
×
JP9
LN5 or PD5 on J1 pin 45
1–2
LN5
2–3
PD5
×
JP10
LN3 or PD3 on J1 pin 43
1–2
LN3
2–3
PD3
×
JP11
LN1 or PD1 on J2 pin 41
1–2
LN1
2–3
PD1
×

NOTE The jumper connections are made using 0 W surface-mounted resistors.


Rabbit—A Digi International Brand
www.rabbit.com
PREV INDEX NEXT